Новости
28.09.25
24.08.25
10.08.25
03.08.25
ЭмПРА дроссели для металлогалогенных ламп ДРИ марка Galad
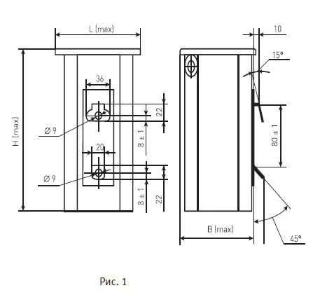
Встраиваемые


Независимые


| Наименование | код | Мощность, Вт | Коэф. Мощности, не менее | Пусковой ток, А | Ток сети, А | Лампа | Исполнение | Масса, кг | Габариты, ДхШхВ | Раб. ток, А | Установочные размеры |
| 1И70ДРИ48Н-001УХЛ2 220В купить | 01896 | 70 | 0,8 | 2 | 0,54 | ДРИ | Встраиваемый | 1,35 | 106x65x68 | 1 | 87х79,5х88,5 |
| 1И100ДРИ48Н-001УХЛ2 220В купить | 02132 | 100 | 0,43 | 2,1 | 0,82 | ДРИ | Встраиваемый | 1,7 | 114x65x68 | 1,2 | 87х79,5х88,5 |
| 1И150ДРИ48Н-001УХЛ2 220В купить | 01635 | 150 | 0,43 | 3,2 | 0,9 | ДРИ | Встраиваемый | 2,3 | 105x102x215 | 1,8 | 117х109,5х118,5 |
| 1И250ДРИ48-012УХЛ1 220В с ИЗУ купить | 01551 | 250 | 0,56 | 3,6 | 2,15 | ДРИ | Независимый | 4,4 | 105x102x265 | 2,2 | |
| 1И250ДРИ48Н-003УХЛ2 220В купить | 01518 | 250 | 0,56 | 3,6 | 1,4 | ДРИ | Встраиваемый | 3,2 | 165x66x68 | 2,2 | 146х138,5х147,5 |
| 1И400ДРИ48-011УХЛ1 220В с ИЗУ купить | 01555 | 400 | 0,59 | 5,6 | 3,3 | ДРИ | Независимый | 5,6 | 132x134x205 | 3,3 | |
| 1И400ДРИ48Н-005УХЛ2 220В купить | 02863 | 400 | 0,58 | 5,6 | 2,05 | ДРИ | Встраиваемый | 4,7 | 155x93x96 | 3,3 | 135х132,5х140,5 |
| 1И700ДРИ48-010УХЛ1 220В с ИЗУ купить | 01559 | 700 | 0,56 | 10,2 | 6 | ДРИ | Независимый | 9,4 | 132x134x300 | 6 | |
| 1И700ДРИ81-001УХЛ1 380В с ИЗУ купить | 01767 | 700 | 0,34 | 7,8 | 6 | ДРИ | Независимый | 17,5 | 255x135x260 | 6 | |
| 1И1000ДРИ48-001УХЛ1 220В с ИЗУ купить | 01746 | 1000 | 0,57 | 15 | 8,2 | ДРИ | Независимый | 13,75 | 132x134x375 | 8,2 | |
| 1И1000ДРИ81-001УХЛ1 380В с ИЗУ купить | 01744 | 1000 | 0,58 | 8 | 4,7 | ДРИ | Независимый | 10,4 | 132x134x335 | 4,7 | |
| 1И2000ДРИ81Н-002УХЛ2 380В купить | 03003 | 2000 | 0,6 | 15,5 | 5,8 | ДРИ | Встраиваемый | 18,6 | 230x93x96 | 9,2 | 210х207,5х215,5 |
| 1И2000ДРИ81-001УХЛ1 380В с ИЗУ купить | 01779 | 2000 | 0,55 | 15,5 | 9,2 | ДРИ | Независимый | 22,35 | 255x135x365 | 9,2 |
