Стандарты
Тяжело в учебе, легко в бою: для успешной работы постоянно улучшаем свое мастерство, обучаемся у сторонних преподователей, читаем книги, журналы и на основе нашего опыта и знаний генерируем навыки, стандартные работы Лебак ООО, в результате легко достигаем поставленных задач с минимальными затратами.
Перечень обязательных знаний по электротехнике и НВО
Термины и определения
Электротехника - это область науки и техники, изучающая электрические и магнитные явления и их использование в практических целях.
Все электротехнические устройства по назначению, принципу действия и конструктивному оформлению можно разделить на три большие группы:
- Источники энергии, т.е. устройства, вырабатывающие электрический ток (генераторы, термоэлементы, фотоэлементы, химические элементы).
- Приемники, или нагрузка, т.е. устройства, потребляющие электрический ток (электродвигатели, электролампы, электромеханизмы и т.д.).
- Проводники, а также различная коммутационная аппаратура (выключатели, реле, контакторы и т.д.).
Электрическая цепь – совокупность соединенных друг с другом источников электрической энергии и нагрузок (потребителей), по которым может протекать электрический ток.
Для работы электрической цепи необходимо наличие источников энергии. В любом источнике за счет сторонних сил неэлектрического происхождения создается электродвижущая сила. На зажимах источника возникает разность потенциалов или напряжение, под воздействием которого во внешней, присоединенной к источнику части цепи, возникает электрический ток.
Различают активные и пассивные цепи, участки и элементы цепей. Активными называют электрические цепи, содержащие источники энергии, пассивными - электрические цепи, не содержащие источников энергии.
Режимы работы электрических цепей – в зависимости от нагрузки различают следующие режимы работы: номинальный, режим холостого хода, короткого замыкания, согласованный режим.
При номинальном режиме электротехнические устройства работают в условиях, указанных в паспортных данных завода-изготовителя. В нормальных условиях величины тока, напряжения, мощности не превышают указанных значений.
Режим холостого хода возникает при обрыве цепи или отключении сопротивления нагрузки.
Режим короткого замыкания получается при сопротивлении нагрузки, равном нулю. Ток короткого замыкания в несколько раз превышает номинальный ток. Режим короткого замыкания является аварийным.
Согласованный режим - это режим передачи от источника к сопротивлению нагрузки наибольшей мощности. Согласованный режим наступает тогда, когда сопротивление нагрузки становится равным внутреннему сопротивлению источника. При этом в нагрузке выделяется максимальная мощность.
Электрическая схема – графическое изображение электрической цепи с помощью условных знаков.
Электроустановка - совокупность машин, аппаратов, линий их связи и вспомогательного оборудования (вместе с сооружениями и помещениями, в которых они установлены), предназначенных для производства, преобразования, трансформации, передачи и распределения электроэнергии.
Открытыми или наружными электроустановками называются установки, не защищенные зданием от внешних воздействий.
Закрытыми или внутренними электроустановками называются установки, расположенные внутри здания.
Электрическая сеть - совокупность электроустановок, обеспечивающих передачу и распределение электроэнергии (подстанции, распределительные устройства, воздушные и кабельные линии и т. д.).
Элемент - часть электротехнического изделия, которая выполняет определенную функцию (резисторы, конденсаторы, транзисторы, коммутационные аппараты и т. д.).
Устройство - совокупность элементов, представляющих единую конструкцию (плата, блок, шкаф и т. д.). Каждый элемент электротехнического устройства характеризуется номинальным параметром, указываемым изготовителем и учитываемым при его использовании (напряжение, ток, мощность). Номинальные параметры указываются и для устройств.
Электрический ток - направленное движение электрических зарядов. Носителями зарядов в металлах являются свободные электроны, а в жидких - ионы. Электрический ток может возникать в замкнутой электрической цепи.
Постоянный электрический ток – неизменный во времени ток (направление и величина которого неизменны).
Переменный электрический ток – ток, величина и направление которого изменяются во времени.
В промышленности используется синусоидально изменяющийся во времени электрический ток.
В энергетике стран СНГ и Западной Европы принята стандартная частота тока 50 Гц. (Частота равна числу колебаний в 1 секунду).
Область применения переменного тока намного шире, чем постоянного. Это объясняется тем, что напряжение переменного тока можно легко понижать или повышать с помощью трансформатора, практически в любых пределах. Переменный ток легче транспортировать на большие расстояния. Но физические процессы, происходящие в цепях переменного тока, сложнее, чем в цепях постоянного тока из-за наличия переменных магнитных и электрических полей.
Электрическое напряжение – разность потенциалов между крайними точками участка электрической цепи.
Электрические аппараты – устройства, применяемые для включения, отключения и защиты электроприемников или участков линий.
Низковольтное оборудование – совокупность источников и потребителей электроэнергии, аппаратов и приборов в электрических цепях, напряжение в которых не превышает 1000 В.
Пожароопасная зона - пространство внутри и вне помещения, в переделах которого постоянно или периодически образуются горючие вещества и в котором они могут находиться при нормальном технологическом процессе или при его нарушении.
Взрывоопасная зона - помещение или ограниченное пространство в помещении или наружной установке, в которых имеются или могут образовываться взрывчатые смеси газов или паров с воздухом, кислородом или другими окислителями, а также горючей пыли или волокон с воздухом при переходе их во взвешенное состояние.
Активная, реактивная, полная мощность
Активная мощность – физически представляет собой энергию, которая выделяется в единицу времени в виде теплоты на участке цепи в сопротивлении (нагрузке) R.
Реактивная мощность – это энергия, которой обмениваются между собой генератор и приемник переменного тока в электрической цепи. Она пропорциональна среднему (за 1/4 периода переменного тока) значению энергии, которая отдается источником питания на создание переменной составляющей электрического и магнитного поля индуктивной катушки и конденсатора.
Полная мощность – это та мощность, которую источник переменного тока может отдавать потребителю, если последний работает при cosф = 1 (т.е. если потребитель представляет собой чисто активное сопротивление).
Ток замыкания (утечки) на землю (дифференциальный ток) – ток, утекающий на землю при ухудшении свойств (сопротивления) изоляции (оболочки) в электрической цепи.
Величина тока замыкания на землю недостаточна для срабатывания защиты от токов короткого замыкания, поэтому для обеспечения безопасности в электрических цепях применяются выключатели дифференциального тока ВДТ (устройства защитного отключения УЗО). Измеряется, как правило, в мА.
Ток короткого замыкания - соединение токоведущих частей разных фаз или потенциалов между собой напрямую или на корпус оборудования, соединенный с землей, в сетях электроснабжения или в электроприемниках. При соединении токоведущих частей таким образом сопротивление цепи становится близким к нулю, что приводит к увеличению тока в цепи до недопустимо больших величин. Для защиты от токов короткого замыкания применяются автоматические выключатели и/или плавкие предохранители (вставки). Измеряется, как правило, в кА.
Ток перегрузки – ток, незначительно превышающий номинальный рабочий ток для данного потребителя, который достаточно долгое время протекает в электрической цепи. Длительное воздействие тока перегрузки приводит к перегреву токонесущих элементов потребителя, что, в свою очередь, грозит потребителю выходом из строя. Для защиты от токов перегрузки используются автоматические выключатели с тепловым расцепителем и тепловые реле. Измеряется в А.
Отключающая способность (коммутационная способность) – способность электрического аппарата выдерживать ток короткого замыкания без дальнейшей потери работоспособности. Измеряется, как правило, в А и кА, на защитных устройствах обозначается как число в прямоугольной рамке.
Тип кривой отключения (токовременная характеристика) – зависимость времени срабатывания защитного устройства от тока, протекающего в электрической цепи.
Трехфазные электрические цепи
Трехфазная цепь - это совокупность трех электрических цепей, в которых действуют синусоидальные ЭДС одинаковой частоты, сдвинутые относительно друг друга по фазе на 120o, создаваемые общим источником. Трехфазная цепь состоит из
- трехфазного генератора,
- соединительных проводов,
- приемников или нагрузки, которые могут быть однофазными или трехфазными.
Участок трехфазной системы, по которому протекает одинаковый ток, называется фазой. Фазой иногда также называют однофазную цепь, входящую в состав многофазной цепи.
Трехфазный генератор представляет собой синхронную машину. На статоре генератора размещена обмотка, состоящая из трех частей или фаз, пространственно смещенных относительно друг друга на 120o. В фазах генератора индуктируется симметричная трехфазная система ЭДС, в которой электродвижущие силы одинаковы по амплитуде и различаются по фазе на 120o.
На схемах трехфазных цепей начала фаз обозначают первыми буквами латинского алфавита (А,В,С), а концы - последними буквами (X,Y,Z).
Существуют различные способы соединения обмоток генератора с нагрузкой. Самым неэкономичным способом является соединение каждой фазы нагрузки с фазой генератора двумя проводами: прямым и обратным. Получается несвязанная трехфазная система, в которой имеется шесть соединительных проводов. Чтобы уменьшить количество соединительных проводов, используют трехфазные цепи, соединенные звездой или треугольником.
Соединение в звезду. Схема, определения
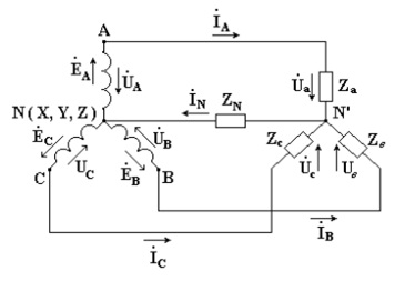
Если концы всех фаз генератора соединить в общий узел, а начала фаз соединить с нагрузкой, образующей трехлучевую звезду сопротивлений, получится трехфазная цепь, соединенная звездой. При этом три обратных провода сливаются в один, называемый нулевым или нейтральным.
Трехфазная цепь, соединенная звездой, изображена на рисунке.

Рисунок. Трехфазная цепь, соединенная звездой.
Провода, идущие от источника к нагрузке называют линейными проводами, провод, соединяющий нейтральные точки источника Nи приемника N' называют нейтральным (нулевым) проводом.
Напряжения между началами фаз или между линейными проводами называют линейными напряжениями. Напряжения между началом и концом фазы или между линейным и нейтральным проводами называются фазными напряжениями.
В такой схеме соединения линейные и фазные токи одинаковые ( Iл = Iф ), а линейное напряжение больше фазного в √3 раз. ( Uл = √3 Uф )
В основу формирования ряда трехфазных напряжений, когда последующее напряжение больше предыдущего в √3 раз, положен √3 = 1,73. Часть этого ряда при относительно низких напряжениях: 127, 220, 380, 660 В.
Соединение в треугольник. Схема, определения
Если конец каждой фазы обмотки генератора соединить с началом следующей фазы, образуется соединение в треугольник. К точкам соединений обмоток подключают три линейных провода, ведущие к нагрузке.
На рисунке изображена трехфазная цепь, соединенная треугольником.

Рисунок. Трехфазная цепь, соединенная треугольником.
В трехфазной цепи, соединенной треугольником, фазные и линейные напряжения одинаковы ( Uл = Uф ), а линейный ток больше фазного в √3 раз ( Iл = √3 Iф ) при симметричной нагрузке.
Поскольку в трехфазной цепи, соединенной звездой, можно получить два напряжения - линейное и фазное - при постоянных фазных и линейных токах, а при схеме соединения в треугольник такая возможность отсутствует, трехфазные цепи, соединенные звездой, получили большее распространение, чем трехфазные цепи, соединенные треугольником.
